發布時間:2023-10-30
來源:上海弘泱機械科技有限公司
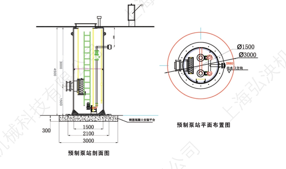
排漬泵站通常用于處理污水和廢水中的沉淀物和固體顆粒,可以有效防止這些雜質對排放環境或污水處理過程造成不良影響。排漬泵站的主要功能是將廢水中的固體顆粒分離、提取和處理,下面是排漬泵站的作用原理。
沉淀:在排漬泵站中,廢水首先通過一個沉淀池或沉淀區域,其中液體中的固體顆粒被允許沉淀到底部。這可以通過靜置、減速流動或加入化學物質來促進。
提取:一旦固體顆粒沉淀到底部,排漬泵會將清水或上清液從上面提取出來。這樣,廢水中的大部分固體顆粒被分離出來,留下較為清凈的水。
處理:沉淀下來的固體顆粒通常需要進一步處理或處置。這可以包括固體廢物處理、污泥處理、廢棄物處置或回收等方法,具體處理方法取決于固體廢物的性質和當地法規。

排漬泵站通常包括泵、沉淀池、控制系統和處理設備,以確保有效地從廢水中去除固體顆粒。這些泵站可以在污水處理廠、工業設施、農業和其他應用中使用,以確保廢水排放符合環保法規和標準,同時減少對環境的不良影響。
本文標題:什么是排漬泵站,排漬泵站的作用原理
責任編輯:弘泱機械科技編輯部
本文鏈接:http://m.mcnds.com/xwzx/hydt/6986.html 轉載請注明出處